Garantía de ajuste, mostrar piezas aplicables a su coche.

de .

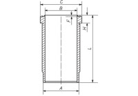
Camisa de cilindro

Un revestimiento de cilindro (también conocido como camisa de cilindro) proporciona una superficie lisa y duradera sobre la cual el pistón puede moverse suavemente hacia arriba y hacia abajo. Juegan un papel importante en mantener la integridad del motor al ofrecer una buena lubricación entre el pistón y la pared del cilindro. Esto minimiza el desgaste y previene fugas de aceite y gases de combustión. Durante la carrera de trabajo se genera mucho calor (hasta 2.000°C). Los revestimientos de cilindro ayudan a disipar este calor del pistón hacia el entorno. Esto contribuye a un rendimiento óptimo del motor y previene el sobrecalentamiento.

201 - 220 / 237 productos

30 días de cambios gratis
Los clientes nos dan un ##AANTAL##/10
Satisfecho o devolución del dinero